
2022-05-05|admin
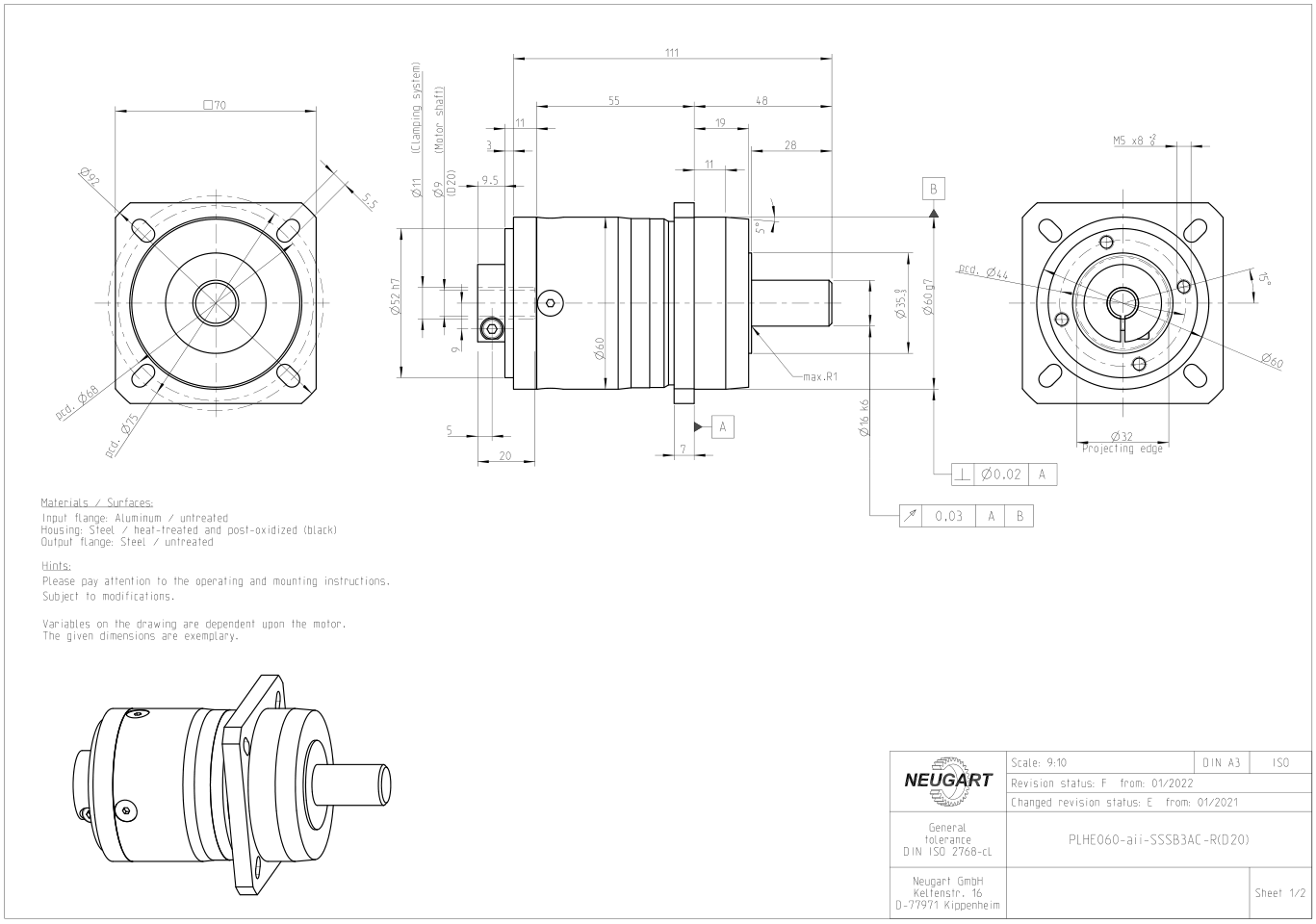
PLHE gearbox complete set of gearbox 3D drawings, introduction to the internal structure parameters of CAD drawings, please contact online if you need drawings.
The model parameter diagram of PLHE gearbox series can be used as a reference for selection. The specific gearbox data can be selected according to different needs. The selection software is used for selection, and the structural parameters are simple and clear. The dynamic data and load display of the motor and various applications can make it clear whether it is applicable. Welcome to consult!

PLHE series gearbox basic structure drawing download:
